成組型旋流沉砂池除砂機-南京蘭江泵業有限公司
      • 産品列表PRODUCTS LIST

        成組型旋流沉砂池除砂機

        簡要描述:

        成組型旋流沉砂池除砂機,由于葉輪旋轉,減少了旋流㊙️池因進水量變化導緻流态變化的敏感程度,保證了沉😈砂池🧑🏽‍🎄穩定👹、出砂的有機成分含量低等特點。

        分享到: 1
        在線留言
        成組型旋流沉砂池除砂機

         

        型号表示方式:

         

         

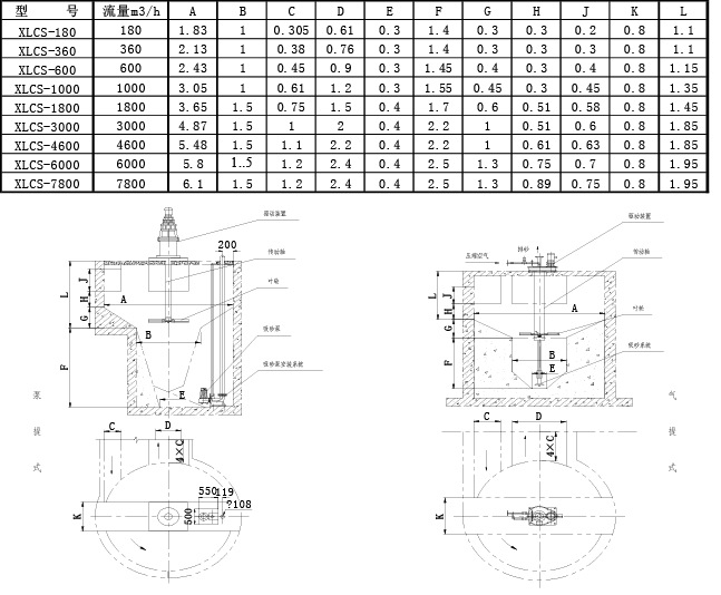
        構造及工作原理:

        旋流沉砂池不鏽鋼除砂機1800 由葉輪、傳動軸、電機、減速器和吸砂系統組成。由于葉👼🏾輪槳闆向^上傾斜,旋轉時使池中污水作螺旋運動,加上因污水切向進入😝,産生與葉輪旋向*的旋流🎅🏿,池中的污水形成渦螺流态。在适當的㊙️葉槳傾角和線速度條🙂‍↕️件下,污水中的砂粒🧑🏾‍🎄将受到沖刷并仍保👾持佳的沉降效果,而原來附着在砂粒上的有機物以及重度小的物質将随污水一同流出旋流池。另外,由于葉輪旋轉,減少了旋流池因進水量變化導緻流态變化的敏感程度,保證了沉砂池穩定、出砂🤑的有機成分含量低等特點。成組型旋流沉砂池除砂機

        技術參數及外形尺寸: 成組型旋流沉砂池除砂機

         

        構造及工作原理:

        由葉輪、傳動軸、電機、減速器和吸砂系統組成。

        由于葉輪槳闆向上傾斜,旋轉時使池中污水作螺旋運動👻,加上🧑🏽‍❤️‍💋‍🧑🏻因污水切向進入,産生與葉輪旋向*的旋流,池中的污水形成渦螺流态。在适當的葉槳傾角和線速度條件下,污水中的😁砂粒将受到沖刷并🧑🏽‍🎄仍保持佳😺的沉降效果,而原來附着在砂粒上的有♌️機物以及重度小的物質将随污水一同流出旋流池。另外,由于葉輪旋轉,減少了旋流池因進水量變化導緻流态變化的敏感程度,保證了沉砂池穩定、出砂的有機成分含量低等特點。

         

        特點: 不鏽鋼旋流沉砂設備,沉砂池除砂機

        1、占地面積小;

        2、沉積效果受水量變化影響很小,砂水分離效果好,分離出的砂子含水率低,有機物含量少,便于運輸;

        3、操作方便,維護簡單,壽命長;

        4、鼓風機采用國外技術,噪音低;對周圍環境影響小,衛生條😝件好。

         

        構造及工作過程: 不鏽鋼旋流沉砂設備,沉砂池除砂機

        XLCS型旋流沉砂池除污機進水從切線的方向進入池👾中🙆🏿,形成旋流🛌🏻,旋流攪拌機控制水流的流速與流态,水流夾帶着大量粘附有機物的砂,在槳闆攪拌剪切力下互相剝離,依靠砂的自身重力和旋流作用向中心砂鬥下沉,剝離的有機物随軸向水流向上😺溢走。砂鬥積聚的砂經空氣提升泵或砂泵提升,砂及少量污水進入池外砂水分👩🏼‍❤️‍👨🏾離器内,砂分離外排,污水回流至格栅井。

         

         

         

        聯系人
        在線客服
        掃碼關注我們
        用心服務 成就你我